咨询电话
13924666952
400-158-1606

无机械齿轮和离合器结构,无磨损,免维护,寿命超长,故障率低;
高精度电流采样和终值算法驱控,响应快,重复精度高,扭力精准;
具备单段,二段,多段、拆卸等多种工作模式,转速、扭矩可调,锁付智能化;
适应机牙螺纹,自攻螺纹,自钻螺纹等场合;
扭力,圈数综合评估,降低滑牙、浮锁误判率;
驱控器自带2.4寸真彩触摸屏可调试设置参数,方便监控调试电批运作;
驱控器IO信号有电批启停输入信号、力矩到达和电批报警输出信号;
集成一个基于MODBUS RTU协议的TTL通信口,外联控制器或触摸屏。
智能伺服电批,由伺服电批控制系统和伺服电组织成。不管是从扭力、精度、使用寿命来看,伺服电批都比无刷、有刷电批更强大。伺服电批的扭力大、响应快。
产品特点:
(1)无机械齿轮和离合器结构,无磨损,免维护,寿命超长,故障率低;
(2)高精度电流采样和终值算法驱控,响应快,重复精度高,扭力精准;
(3)具备单段,二段,多段、拆卸等多种工作模式,转速、扭矩可调,锁付智能化;
(4)适应机牙螺纹,自攻螺纹,自钻螺纹等场合;
(5)扭力,圈数综合评估,降低滑牙、浮锁误判率;
(6)驱控器自带2.4寸真彩触摸屏可调试设置参数,方便监控调试电批运作;
(7)驱控器IO信号有电批启停输入信号、力矩到达和电批报警输出信号;
(8)集成一个基于MODBUS RTU协议的TTL通信口,外联控制器或触摸屏。
系统功能:
输入输出信号:启动、停止、正反转;拧紧完成、合格标志、报警输出;
外围接口:RS485、IO接口、可实现IO口的所有功能;
实时输出拧紧数据,由MES系统采集,分析,存储;
拧紧过程由高速数字控制,精度高,使用寿命长;
支持正反向控制;扭力,转速,圈数任意调节,多级变速,控制精度更高;
拧紧过程数据管理,记录可溯;
浮锁,滑牙等异常出错报警机制及处理;
拧紧过程主要数据显示:实时扭力值、圈数、拧紧时间、扭力峰值,合格标志;
相对于IO电批,控制更精准,更环保。
软件功能:
界面简单易操作,与智能伺服电批控制器无缝连接,快速便捷的设置电批各类参数。
伺服电批工作状态信息显示与记录,电批状态实时监控。
扭紧过程可监控,支持波形采集、对比与分析、支持在线调试功能。
锁付记录显示,处理与导出,让拧紧记录可追溯、可保存、可统计。
规格型号:
| 功率 | 扭矩 | 转速/RPM | 适用螺钉 | |
| 100W | 1-9 公斤 / 0.1-0.9 牛米 | 0-3000 | m1.4-m3 | |
| 200W | 3-18公斤 / 0.3-1.8牛米 | 0-3000 | m2-m4 | |
| 400W | 6-35公斤 / 0.6-3.5牛米 | 0-3000 | m2-m5 | |
| 控制方式 | FOC矢量控制 | |||
| 环境 | 工作温度 | -20℃~45℃ | ||
| 存储温度 | -20℃~45℃ | |||
| 湿度 | 90%RH以下,无结露 | |||
| 海拔 | 3000m以下 | |||
| 振动 | 4.9m/sec2,频率10~55Hz | |||
| 周围环境 | 无易燃易爆、腐蚀性气体,无盐雾,无导电粉尘 | |||
| 数字量输入 | 视型号而定,最大支持5路 | |||
| 数字量输出 | 视型号而定,最大支持3路 | |||
| 编码器反馈 | 多摩川绝对值编码器 | |||
| 通信功能 | Modbus通信协议 | |||
| 存储功能 | EEPROM掉电保存 | |||
| 冷却方式 | 自然冷却 | |||
| 过载能力 | 视型号而定,过载水平可设置,最高支持3倍过载3.5s | |||
| 报警功能 | 过流,过热,过压,欠压,过载,过速,编码器异常等报警 | |||
| 上位机软件 | ServoApp伺服电批上位机软件 | |||
IO及通讯端口定义:

信号 | 说明 | 信号 | 说明 | |
1 | 24V | 内部输出电压,可接入外部电压 | DO1- | 输出端子- |
2 | COM | 电源负极 | DO1+ | 输出端子+ |
3 | SEL | 高低电平有效选择 | DO2- | 输出端子- |
4 | DI1 | 输入端子 | DO2+ | 输出端子+ |
5 | DI2 | 输入端子 | DO3- | 输出端子- |
6 | DI3 | 输入端子 | DO3+ | 输出端子+ |
7 | DI4 | 输入端子 | B | RS485串行信号B |
8 | DI5 | 输入端子 | A | RS485串行信号A |
9 | NC | - |
注:SEL用于选择高低电平使用,SEL选择接入24V时,输入端子输入低电平信号有效;SEL选择接入COM时,输入端子输入高电平信号有效。
电机编码器端口:

各系列电批的编码器端口统一为DB9,支持绝对值编码器。
输入输出电源端口:
电批电源输入,接地端口:
信号 | 说明 | |
1 | L1 | 功率电源 |
2 | L2 | 功率电源 |
3 | 〨 | 接地 |
电机动力线,接地端口:
信号 | 说明 | |
1 | 〨 | 接地 |
2 | W | 电机W相 |
3 | V | 电机V相 |
4 | U | 电机U相 |
电气接线图:

伺服电批控制器外观尺寸:

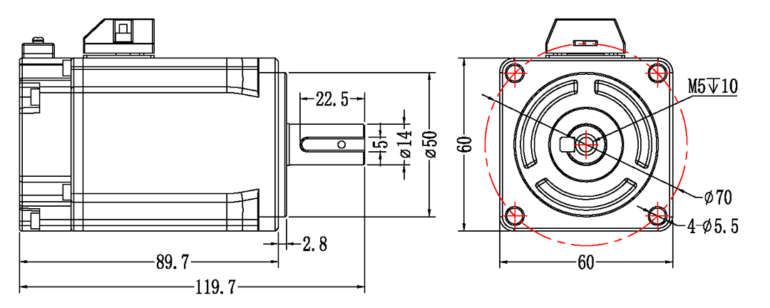
400W电机尺寸:

伺服电机包外壳尺寸图

伺服电机未包外壳尺寸图
产品安全认证——CE认证报告

版权所有 © 深圳市Ezpay工业控制股份有限公司 未经许可不得复制、转载或摘编,违者必究 版权声明
Copyright © Shenzhen Huacheng Industrial Control Co., Ltd. All Rights Reserved.
网站ICP备案号: 粤ICP备19106162号
技术支持:新新网络